You might want to visit our global site:

Fläkt RDKA (Rexonet) FTX aggregat

Ett FTX-aggregat med korsströmsvärmeväxlare som oftast placerades mellan köksskåpen ovanför spisen i kombination med en spiskåpa som monterades under aggregatet. Systemet var vanligt i villor och lägenheter på 1980- och 
90-talet. Aggregatet krävde även en kondensavloppsanslutning för att hantera kondens från värmeväxlaren.

Swegon CASA R2

+ Jazz Spiskåpa

Genom att byta ut FTX-aggregatet mot ett modernt aggregat med en roterande värmeväxlare och energisparande EC-motorer, så kan du spara mer än 2200 kWh i energi per år. Samtidigt får du en betydligt  bättre osuppfångningsförmåga i din spiskåpa. Aggregatet kräver ingen kondensavlopps-anslutning då en energieffektiv roterande värmeväxlare ej kondenserar ut fukt ur luften.

Du måste godkänna cookies för marknadsföring om du vill visa den här typen av innehåll från Swegon

ENERGIKOSTNAD Fläkt RDKA CASA R2 + Jazz
Energiförbrukning utan värmeåtervinning
* referensluftmängd 40 l/s, 80 Pa
Mellan Sverige årsmedeltemp. 7,9 grader
6139 kW 5 377 kW
Energiförbrukning med värmeåtervinning 3296 kW 1055 kW
Differens   - 2241 kWh
EGENSKAPER    
Luftflöde max, 100 Pa 70 l/s 60 l/s
Energiklass E A
Värmeåtervinningsgrad 50% 82%
Ljudnivå till omgivningen (10 m2 med rumsabsorption Lpa dB(A)) vid 40 l/s 39 dB 34 dB
Undertryckskompensation Nej
Sommarförbigång Nej Automatisk
Sommarnatkyla Nej
Fuktstyrning Nej Standard
CO2/VOC styrning Nej Tillbehör
Styrning med smartphone Nej Tillbehör

Beräkningen är teoretisk, därför kan beloppen variera. 

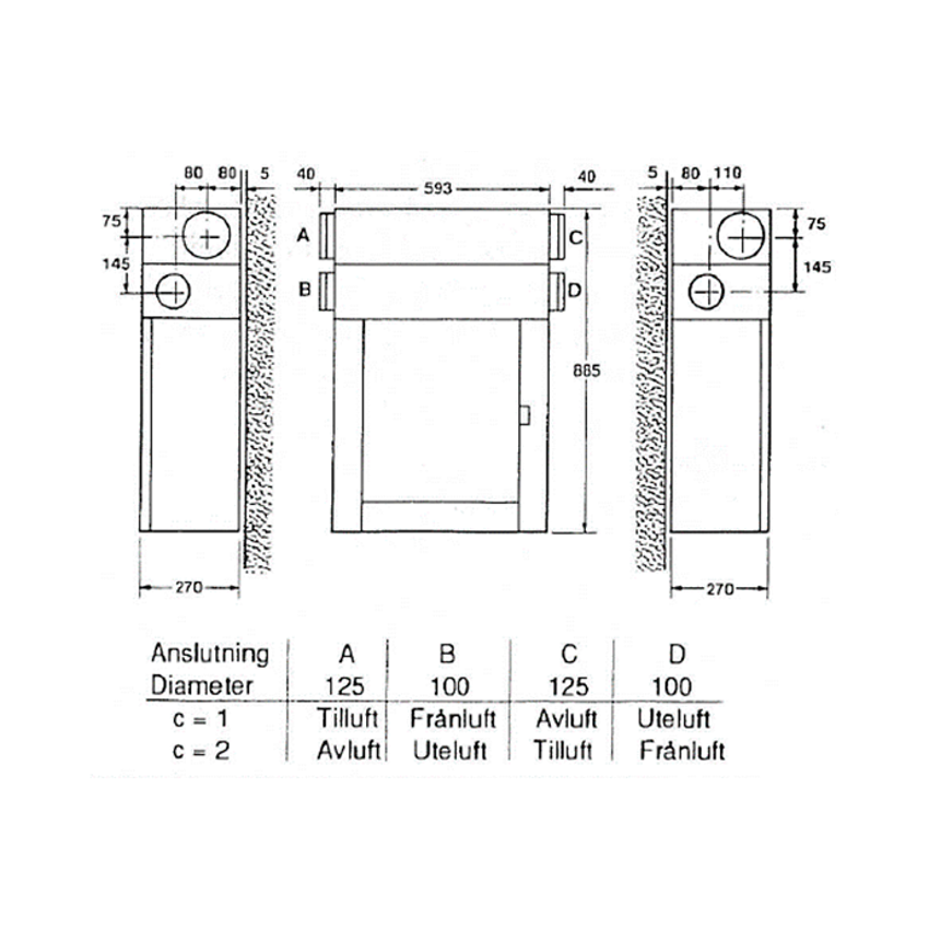
Måttskisser och k analernas placeringar

Den vänstra bilden visar ventilationsaggregatet Swegon CASA R2 (R-modell) i kombination med en Jazz-kåpa. Den högra visar Fläkt RDKA.

Mer info om produkterna:
Swegon CASA R2 
Swegon CASA Jazz, spiskåpa

Hitta installatör

Behöver du hjälp att installera? Eller är du kanske osäker på vilka produkter och lösningar som är bäst för dina behov i hemmet? Tala med en erfaren auktoriserad installatör så får du hjälp. 

klicka här